欢迎光临hth最新电竞官方网站
网站地图
联系今通
语言切换:
English
17年专注于注塑机研发、制造
为您量身定制立式注塑方案
全国咨询热线:
4000-790-676
139 2653 6012(何总监)
今通首页
华体汇app入口
华体会真人平台
华体会电竞电子
应用案例
新闻资讯
关于今通
联系今通
产品中心
圆盘注塑机系列
双色注塑机系列
滑板注塑机系列
高速注塑机系列
插头线材注塑机系列
液态硅胶注塑机系列
电木(bmc/dmc)注塑机系列
转塔注塑机系列
华体会电竞电子系列
立锁卧射立式注塑机
C型立式注塑机
超大型立式注塑机
华体汇app入口
联系我们
4000-790-676
139 2653 6012(何总监)
hcc@szjtjx.com
广东省东莞市长安街道新民社区 新民路91号
华体汇app入口
JT-250华体汇app入口
1、较小的注塑压力能有效的将封装材料注入模具中并快速固话成型、压力小、注射速度快。
2、常用于封装各类电线接口、网线水晶头、带线束PCB板、PCB板连接器等。
3、依人体踩踏板设计,操作方便快捷。
4、电脑触屏人机界面,实时监控模拟显示人机操控系統。
5、注胶压力可调,溫控模块,精准监测温况。
6、可选择伺服电机,加装单滑板、双滑板或圆盘等
7、本款产品为30吨华体汇app入口,锁模力:30T;射出量:1-85g
8、今通同类型机器不同型号的不同主要是参数的差异化。
订购热线:
139 2653 6012(何总监)
立即采购
产品特点
生产成品实例
技术参数
视频演示
注塑范围
各种电源线材接头、接口、网线水晶头、带线束PCB板、PCB板连接器等。
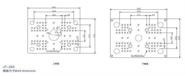
模具尺寸
相关产品
JTT-2000R华体会真人平台
电子连接器注塑机,插头端子注塑机-JTT-550R华体会真人平台
双色注塑机,双色双料注塑机,JTT2V-3R双色双物料注塑机
今通首页
丨
华体汇app入口
丨
华体会真人平台
丨
华体会电竞电子
丨
应用案例
丨
新闻资讯
丨
关于今通
丨
联系今通
Copyright © hth在线电竞官方网站 版权所有 备案号:
粤ICP备15104344号
中国 · 广东 · 东莞 · 长安
HTH电竞